LILYGO T-Beam-1W เป็นบอร์ดพัฒนา LoRa กำลังส่งสูงที่ใช้ ESP32-S3 โดยมาพร้อมชิปทรานซีฟเวอร์ RF รุ่น SX1262, ภาคขยายกำลังส่งในตัวขนาด 1 วัตต์ (32 dBm), โมดูล GNSS รุ่น L76K, จอ OLED ขนาด 1.3 นิ้ว (ไดรเวอร์ SH1106), ช่องใส่ microSD, พอร์ต USB-C, คอนเนกเตอร์ Qwiic และชิปจัดการพลังงาน AXP2101 (PMU) บอร์ดรองรับแบตเตอรี่ 7.4V และมีพัดลมระบายความร้อนสำหรับการใช้งาน RF กำลังสูง
เราเคยเขียนบทความเกี่ยวกับ LILYGO T-Beam รุ่นดั้งเดิม (ตอนนั้นใช้แบรนด์ TTGO) รั้งแรกในปี 2018 และนับตั้งแต่นั้นบริษัทได้ปรับปรุง T-Beam หลายรุ่นจนได้รับความนิยมอย่างมาก โดย T-Beam 1W ถือเป็นรุ่นที่ทรงพลังที่สุดในขณะนี้ ด้วยภาคขยายกำลังส่ง 1 วัตต์ในตัว ทำให้สามารถส่งข้อมูลได้ไกลขึ้นโดยไม่ต้องซื้อแอมป์ภายนอกขนาดใหญ่เพิ่มเติม
สเปคของ LilyGO T-Beam-1W :
- โมดูลหลัก – Espressif Systems ESP32-S3-WROOM-1
- SoC – ESP32-S3
- CPU – Dual-core LX7 processor ความเร็วสูงสุด 240MHz
- หน่วยความจำ – SRAM 512 KB, PSRAM 8 MB
- สตอเรจ – ROM 384 KB
- การสื่อสารไร้สาย – WiFi 4 802.11b/g/n และ Bluetooth 5.0 LE
- สตอเรจ –Flash 16MB
- สายอากาศ PCB
- SoC – ESP32-S3
- สตอเรจ – Micro SD card slot
- จอแสดงผล – OLED ขนาด 1.3 นิ้ว ความละเอียด 128×64 (ไดรเวอร์ SH1106 เชื่อมต่อผ่าน I²C)
- การสื่อสารไร้สาย
- Wi-Fi 4 (802.11b/g/n) และ Bluetooth 5.0 LE (จาก ESP32-S3)
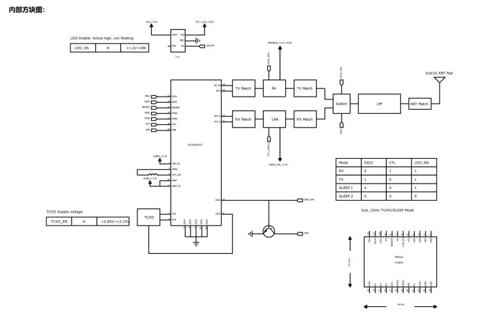
- Semtech SX1262 LoRa transceiver พร้อม PA + LNA รองรับย่าน 433/868/915/920/923 MHz
- Quectel L76KB โมดูล GNSS แบบ Multi-System รองรับ GPS, GLONASS, BeiDou, QZSS
- สายอากาศ
- คอนเนกเตอร์ SMA สำหรับ LoRa รองรับสายอากาศ 868 MHz
- สายอากาศ PCB บนบอร์ดสำหรับ ESP32-S3
- สายอากาศ GPS ติดตั้งด้านบนสำหรับโมดูล GNSS
- USB – พอร์ต USB 2.0 Type-C สำหรับจ่ายไฟและโปรแกรม
- การขยาย
- 2x Headers 15 พิน ระยะ 2.54 มม. พร้อม SPI, I²C, UART, ADC, PWM, ขา touch และอื่น ๆ
- 2x คอนเนกเตอร์ Qwiic
- อื่น ๆ
- ปุ่ม User (IO17), Boot และ Reset
- สวิตช์เปิด-ปิดไฟ
- ขั้วต่อพัดลม (พัดลมขนาดเล็กอยู่ด้านล่างบอร์ด)
- แบตเตอรี่ RTC บนบอร์ด (ยังไม่ยืนยัน)
- แหล่งจ่ายไฟ
- 5V/1A ผ่านพอร์ต USB-C
- PMU รุ่น AXP2101
- รองรับแบตเตอรี่ F550 ขนาด 7.4V (ไม่มีวงจรชาร์จในตัว)
- ขนาด – 133 × 43 × 27 มม. (ขนาดบอร์ดไม่รวมสายอากาศ)

โมดูล LoRa มาตรฐานอย่าง SX1262 โดยทั่วไปจะให้กำลังส่งประมาณ 22 dBm (~160 mW) แต่ T-Beam 1W ได้เพิ่มวงจรขยายกำลัง (PA) และขยายสัญญาณรบกวนต่ำ (LNA) ทำให้กำลังส่งเพิ่มขึ้นเป็น 32 dBm โดยกำลัง 32 dBm จะเทียบเท่ากำลังอิ่มตัวประมาณ 1.6 วัตต์ ซึ่งเป็นค่าสูงสุดที่บอร์ดนี้รองรับได้ แม้บริษัทจะทำการตลาดในชื่อรุ่น “1W” ก็ตาม, LILYGO เตือนว่าต้องเชื่อมต่อสายอากาศก่อนเปิดเครื่องทุกครั้ง เพื่อป้องกันความเสียหายต่อโมดูล RF นอกจากนี้การส่งสัญญาณกำลังสูงจะทำให้เกิดความร้อนค่อนข้างมาก จึงมีพัดลมระบายความร้อนติดตั้งอยู่ด้านหลัง PCB โดยควบคุมผ่าน GPIO41
T-Beam-1W สามารถโปรแกรมได้ทั้งด้วย Arduino IDE และ PlatformIO โดยใช้ ESP32 Arduino core อย่างเป็นทางการและ toolchain ของ ESP32-S3 มาตรฐาน นอกจากนี้ LILYGO ยังมีตัวอย่างโค้ดสำหรับ LoRa (SX1262), GNSS (L76K) และจอ OLED ให้ใช้งาน ส่วน Meshtastic อาจรองรับในอนาคต แต่ขณะเขียนบทความนี้ยังไม่รองรับอย่างเป็นทางการ สามารถดูรายละเอียดเพิ่มเติมได้จาก Wiki บน GitHub


ก่อนหน้านี้เราเคยเขียนถึงอุปกรณ์สื่อสาร LoRa สำหรับใช้งานนอกโครงข่าย (off-grid) หลายรุ่น เช่น LILYGO T-Echo Plus, Wio Tracker L1 Pro, Heltec WiFi LoRa 32 (V4) ถ้าคุณกำลังมองหาอุปกรณ์ลักษณะใกล้เคียงหรือรุ่นที่รองรับ Meshtastic สามารถลองตรวจสอบอุปกรณ์เหล่านี้ได้
LilyGO T-Beam-1W วางจำหน่ายบน AliExpress ราคา $60.98 (~1,900฿), บน Amazon for $53.00 (~1,700฿). และจาก official store ราคา $47.32 (~1,500฿) ไม่รวมค่าจัดส่ง
แปลจากบทความภาษาอังกฤษ : LILYGO T-Beam 1W – An ESP32-S3 + SX1262 high-power LoRa dev board with 32 dBm output, GNSS support

บรรณาธิการข่าวและบทความภาษาไทย CNX Software ได้มีความสนใจในด้านเทคโนโลยี โดยเฉพาะ Smart Home และ IoT



