WIZnet WIZ630io เป็นโมดูลขนาดเล็กที่มาพร้อมพอร์ต RJ45 และคอนโทรลเลอร์ W6300 ซึ่งรองรับ Ethernet ความเร็วสูงกว่า 80 Mbps ผ่านอินเทอร์เฟซ QSPI ที่ความถี่ 150 MHz
โดย ชิป W6300 นั้น มาพร้อมหน่วยความจำ SRAM ขนาด 64KB รองรับการทำงานได้สูงสุด 8 ซ็อกเก็ต โดยแต่ละซ็อกเก็ตมีบัฟเฟอร์ TX/RX ขนาด 4KB เป็นค่าเริ่มต้น ชิปนี้ถูกใช้อย่างเด่นชัดในบอร์ดพัฒนา WIZnet W6300-EVB-Pico2 ที่ใช้ Raspberry Pi RP2350, โมดูล WIZ630io ช่วยให้คุณสามารถเพิ่มฟังก์ชัน Ethernet ให้กับบอร์ด RP2350 หรือไมโครคอนโทรลเลอร์อื่น ๆ ที่มีอินเทอร์เฟซ SPI หรือ QSPI ได้อย่างง่ายดาย
สเปคของ WIZnet WIZ630io :
- W6300 QSPI Ethernet controller
- อินเทอร์เฟซโฮสต์ – QSPI ความเร็วสูง (โหมด 0/3), บัสระบบพร้อมสัญญาณ address 2 เส้น และข้อมูลแบบ 8 บิต
- SRAM ภายใน ขนาด 32KB สำหรับบัฟเฟอร์ Tx/Rx (รวมทั้งหมด 64KB)
- 8x ซ็อกเก็ตแบบอิสระ พร้อมหน่วยความจำ 64KB
- รวม PHY Ethernet รองรับ 10BaseT / 10BaseTe / 100BaseTX
- รองรับ Auto negotiation (โหมด Full และ Half-duplex, ความเร็ว 10 และ 100 Mbps)
- รองรับ Auto-MDIX เฉพาะในโหมด Auto-Negotiation
- ไม่รองรับ IP Fragmentation
- โปรโตคอล TCP/IP แบบฮาร์ดแวร์ – TCP, UDP, IPv6, IPv4, ICMPv6, ICMPv4, IGMP, MLDv1, ARP, PPPoE
- รองรับ IPv4/IPv6 dual stack
- รองรับคำสั่งแบบไม่ใช้ซ็อกเก็ต (Socket-less) – ARP, PING, ICMPv6 (PING, ARP, DAD, NA, RS); พร้อมคำสั่งสำหรับ IPv6 auto-configuration และการมอนิเตอร์เครือข่าย
- โหมดประหยัดพลังงาน – Ethernet Power Down Mode และการสลับสัญญาณนาฬิการะบบ
- รองรับ Wake on LAN ผ่าน UDP
- ไฟแสดงสถานะเครือข่าย (LED) – Full/Half Duplex, Link, ความเร็ว 10/100 Mbps, สถานะ Active
- แรงดันไฟเลี้ยง – ทำงานที่ 3V และรองรับสัญญาณ I/O ที่ 5V
- แพ็กเกจ – 48-pin LQFP และ QFN แบบไร้สารตะกั่ว
- MAG-JACK – RJ45 jack มาพร้อมทรานส์ฟอร์เมอร์และไฟแสดงสถานะเครือข่าย (Full/Half Duplex, Link, 10/100 Speed, Active
- ขา I/O ผ่าน header ระยะห่าง 2.54 มม. จำนวน 3 แถว:
- SPI Master Input Slave Output (MISO)
- SPI Master Output Slave Input (MOSI)
- QSPI พร้อมสายข้อมูล 4 เส้น (จำเป็นสำหรับความเร็วกว่า 80 Mbps)
- ขาอินเทอร์รัปต์และรีเซ็ตของ W6300
- ขา 3.3V และ GND สำหรับจ่ายไฟ
- แหล่งจ่ายไฟ – 3.3V ผ่านขั้วต่อที่ระบุข้างต้น
- ขนาด – 29 x 23 มม.
- ช่วงอุณหภูมิการทำงาน – -40 ถึง +85°C
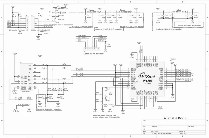
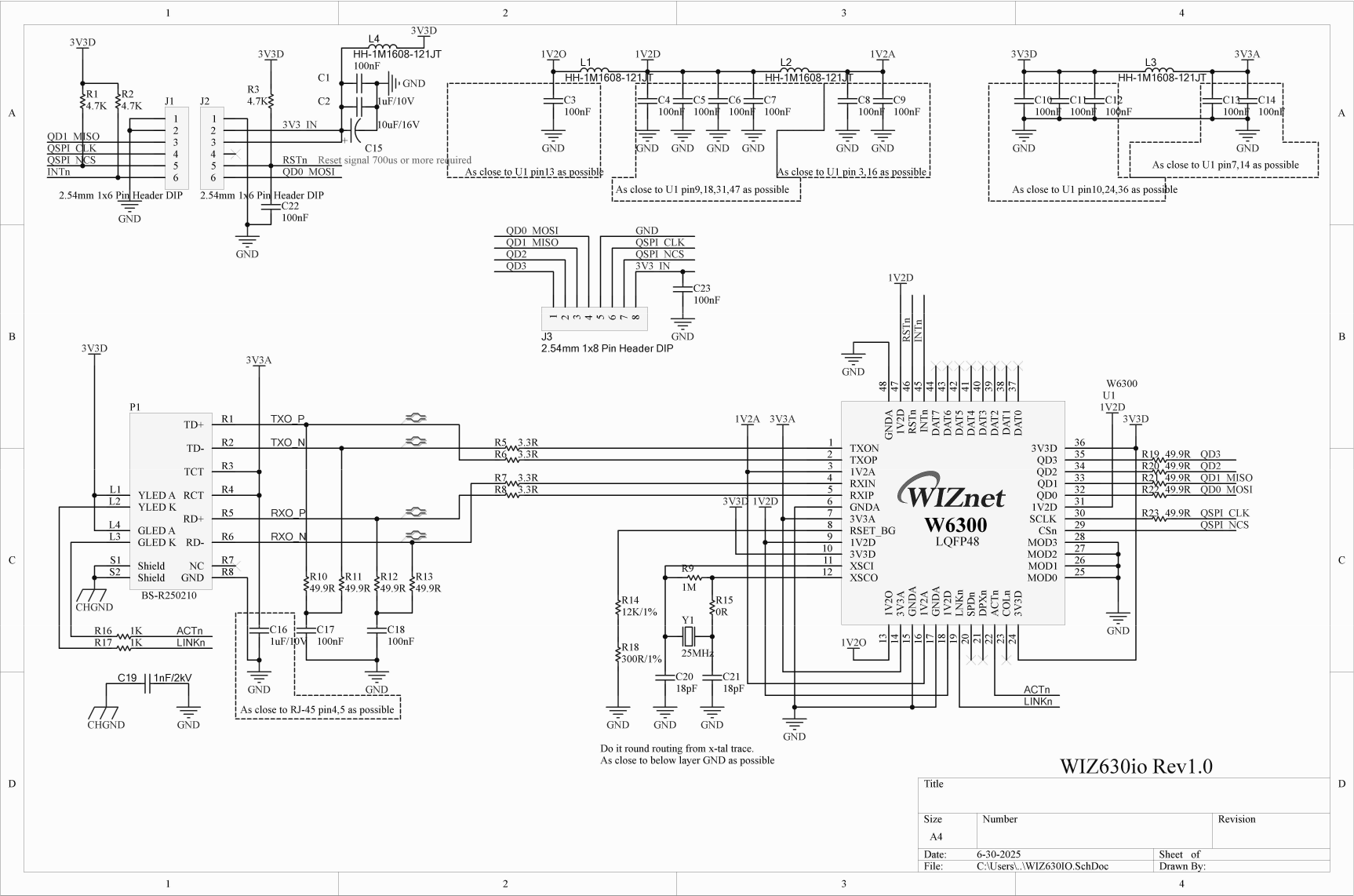
พินเอ้าท์ไดอะแกรมของ WIZ630ioโมดูล Ethernet นี้รองรับโดยไลบรารีภาษา C ที่ชื่อว่า ioLibrary_Driver ซึ่งย่อมาจาก “Internet Offload Library” ถูกออกแบบมาสำหรับชิปอีเทอร์เน็ตแบบ SPI และ QSPI ของบริษัท WIZnet ทั้งหมด รวมถึงรุ่น W6300 ด้วย
สามารถดูรายละเอียดเพิ่มเติมได้จากเว็บไซต์เอกสารประกอบของโครงการ, ซึ่งมีข้อมูลเช่น ไฟล์ผังวงจร (schematics), ไฟล์ 3D, และอื่น ๆ แต่คู่มือ Getting Started ยังแสดงสถานะเป็น “เร็ว ๆ นี้ (coming soon)” แต่ถึงอย่างนั้น การเริ่มต้นใช้งานก็น่าจะทำได้ไม่ยาก โดยสามารถใช้ โปรแกรมตัวอย่าง (demo program) ที่มีอยู่ในไลบรารี ioLibrary_Driver ได้ทันที

ขณะนี้ยังไม่พบโมดูล WIZ630io วางจำหน่ายทางออนไลน์ แต่ผังวงจรของมันสามารถทำซ้ำได้ไม่ยาก ถ้าคุณต้องการสร้างขึ้นเอง นอกจากนี้ WIZnet ยังระบุด้วยว่าผู้ที่สนใจสามารถขอตัวอย่างได้ทางอีเมล เพื่อเปรียบเทียบรุ่นก่อนหน้านี้อย่าง WIZ610io สามารถหาซื้อได้บน AliExpress $11.59(~380฿) และร้านค้าออนไลน์อื่น ๆ
แปลจากบทความภาษาอังกฤษ : Easily add 80+ Mbps Ethernet to microcontrollers with WIZ630io QSPI RJ45 module

บรรณาธิการข่าวและบทความภาษาไทย CNX Software ได้มีความสนใจในด้านเทคโนโลยี โดยเฉพาะ Smart Home และ IoT


