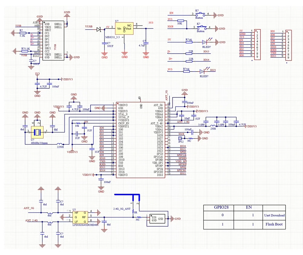
ESP32-C5 Mini เป็นบอร์ดพัฒนาขนาดจิ๋ว มาพร้อมการเชื่อมต่อแบบ dual-band (2.4/5 GHz) รองรับ WiFi 6, Bluetooth 5.x LE และวิทยุ 802.15.4 สำหรับ Zigbee, Thread และ Matter อีกทั้งยังมีเฮดเดอร์แบบ 9 พิน จำนวน 2 ชุด ที่ให้ GPIO ได้สูงสุดถึง 14 ขา เหมาะสำหรับงาน IoT และสมาร์ทโฮม
ดีไซน์ของมันทำให้นึกถึง XIAO ESP32-C5 แต่ตัวบอร์ดจะยาวกว่าเล็กน้อย และใช้ชิป ESP32-C5HF4 แทน ESP32-C5HR8 + หน่วยความจำ SPI Flash 8MB นั่นหมายความว่าไม่มี PSRAM และมีหน่วยความจำแฟลชในตัวเพียง 4MB แทนการใช้แฟลชภายนอก นอกจากนี้ยังเพิ่ม GPIO มาอีก 4 ขา และมาพร้อมสายอากาศในตัว รวมถึงคอนเนกเตอร์สายอากาศแบบ IPEX อีกด้วย
สเปคของ NiceMCU ESP32-C5 Mini:
- Wireless MCU – Espressif Systems ESP32-C5HF4
- CPU
- โปรเซสเซอร์ RISC-V 32 บิต แบบ Single-core ความเร็วสูงสุด 240 MHz
- RISC-V core แบบ Low-power @ 48 MHz สำหรับงานประหยัดพลังงาน
- หน่วยความจำ – SRAM บนชิป 384 KB, PSRAM บนชิป 8 MB
- สตอเรจ – ROM 320 KB, SPI flash 4MB
- การสื่อสารไร้สาย
- Wi-Fi 6 (802.11ax) แบบ Dual-band (2.4/5 GHz) และรองรับย้อนหลัง 802.11b/g/n (Wi-Fi 4)
- โหมด Wi-Fi: Station, SoftAP, SoftAP + Station และ Promiscuous
- Bluetooth 5.0 Low Energy (LE) รองรับ Mesh อัตราข้อมูลสูงสุด 2 Mbps
- วิทยุ 802.15.4 สำหรับ Zigbee 3.0, Thread 1.3 และ Matter ความเร็วสูงสุด 250 Kbps
- CPU
- สายอากาศ – สายอากาศในตัวและคอนเนกเตอร์สายอากาศแบบ IPEX
- USB –พอร์ต USB Type-C สำหรับจ่ายไฟและโปรแกรม
- การขยายขา I/O – 2x 9-pin headers (รูแบบ through และรูแบบ castellated) พร้อม 1x UART, สูงสุด 14x GPIO, 5V (Vin), 3.3V, และ GND
- อื่นๆ
- ปุ่ม Reset และ Boot
- ไฟ LED แสดงสถานะ Power และ User (IO23)
- แหล่งจ่ายไฟ – 5V ผ่านพอร์ต USB Type-C หรือ ขา Vin
- ขนาด– 27.9 x 17.8 มม. (เทียบกับ XIAO ESP32-C5 ที่มีขนาด 21 x 17.8 มม.)
- ช่วงอุณหภูมิ – ไม่ได้ระบุในบอร์ด แต่ชิป ESP32-C5HF4 รองรับการทำงานในช่วง -40°C ถึง 105°C

ชื่อนี้อาจไม่เหมาะสมนัก เนื่องจาก Espressif Systems มีโมดูลชื่อ ESP32-C5-Mini-1 วางจำหน่ายอยู่แล้ว แต่ก็ถือเป็นประเด็นที่ไม่สำคัญ บอร์ดยังไม่มีเอกสารหรือเฟิร์มแวร์เฉพาะของตัวเอง นอกจากแผงวงจร (schematics) ที่ให้มา
คุณยังสามารถใช้งานร่วมกับเครื่องมือพัฒนาอย่าง ESP-IDF, Arduino IDE และเฟิร์มแวร์ MicroPython ที่รองรับบอร์ด ESP32-C5 รุ่นอื่น ๆ ได้
เนื่องจาก ESP32-C5 Mini ไม่รองรับแบตเตอรี่ และมีหน่วยความจำรวมถึงพื้นที่จัดเก็บข้อมูลน้อยกว่า จึงมีราคาถูกกว่า XIAO ESP32-C5 เล็กน้อย โดยวางจำหน่ายในราคาเพียง $4.93 (~160฿) บน Maker Go AliExpress store (แต่ยังไม่รวมภาษีหรือค่าธรรมเนียมนำเข้าอื่นๆ)
แปลจากบทความ : ESP32-C5 Mini USB-C board supports 2.4 GHz and 5 GHz WiFi 6, up to 14x GPIO pins for IoT projects

บรรณาธิการข่าวและบทความภาษาไทย CNX Software ได้มีความสนใจในด้านเทคโนโลยี โดยเฉพาะ Smart Home และ IoT


