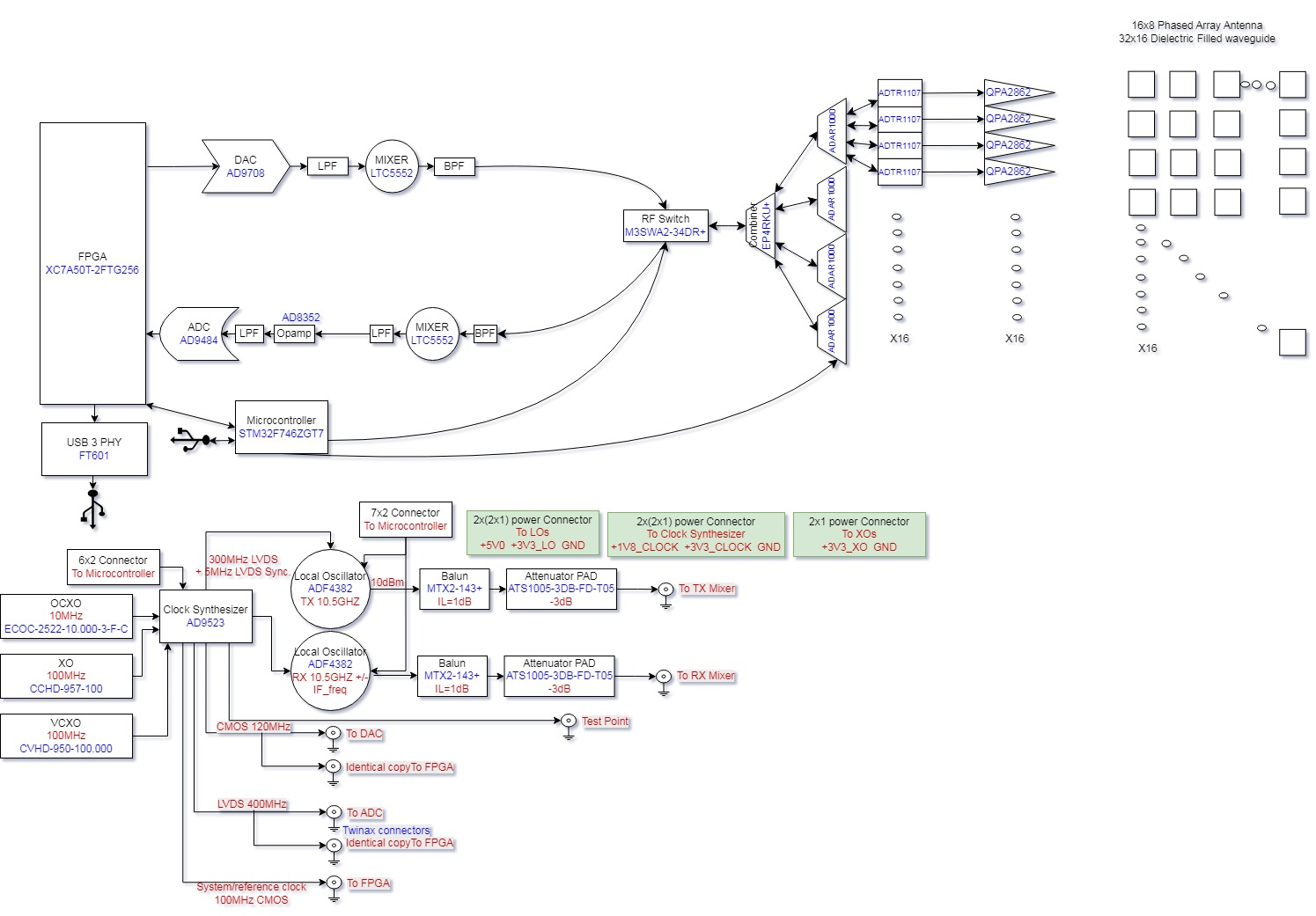
AERIS-10 เป็นระบบเรดาร์ phased array ความถี่ 10.5 GHz แบบโอเพ่นซอร์สฮาร์ดแวร์ ที่ออกแบบมาให้มีต้นทุนต่ำ (คำว่า “ต้นทุนต่ำ” จะมีรายละเอียดเพิ่มเติม) โดยใช้เทคนิคการมอดูเลชันแบบ Pulse Linear Frequency Modulated (LFM) และพัฒนาบนพื้นฐานของ FPGA รุ่น AMD Artix‑7 FPGA
ระบบมีให้เลือก 2 รุ่น ได้แก่ AERIS-10N (Nexus) รองรับระยะตรวจจับสูงสุดประมาณ 3 กิโลเมตร ใช้แผงเสาอากาศแบบ patch array ขนาด 8×16 และ AERIS-10X (Extended) รองรับระยะตรวจจับได้ไกลถึง 20 กิโลเมตร โดยใช้เสาอากาศแบบ dielectric-filled slotted waveguide array ขนาด 32×16 เรดาร์ทั้งสองรุ่นออกแบบมาเพื่อการทดลอง วิจัย และพัฒนาด้านเรดาร์แบบ phased array โดยเปิดเผยฮาร์ดแวร์ในรูปแบบโอเพ่นซอร์ส เพื่อให้นักพัฒนาและนักวิจัยสามารถนำไปต่อยอดได้ง่ายขึ้น
ส่วนประกอบสำคัญและฟีเจอร์ขอ ARIES-10 :
- เมนบอร์ด
- FPGA – AMD Artix-7 XC7A100T for:
- PLFM Chirps generation ผ่าน DAC
- Raw ADC data read
- Automatic Gain Control (AGC)
- I/Q Baseband Down-Conversion
- Decimation
- การกรองสัญญาณ (Filtering)
- Forward FFT
- Pulse Compression
- การประมวลผล Doppler, MTI และ CFAR
- อินเทอร์เฟซ USB
- MCU – ไมโครคอนโทรลเลอร์ ST STM32F746xx สำหรับ
- การจัดการพลังงาน
- การสื่อสารกับ FPGA
- การตั้งค่าและเชื่อมต่อกับอุปกรณ์บนเมนบอร์ด, บอร์ด Frequency Synthesizer และบอร์ด Power Amplifier รวมถึง
- โมดูล GPS สำหรับจัดตำแหน่งแผนที่ใน GUI
- GY-85 IMU สำหรับปรับแก้มุม pitch/roll ของพิกัดเป้าหมาย
- BMP180 Barometer
- Stepper Motor
-
- 8x ADS7830 เซนเซอร์อุณหภูมิ สำหรับควบคุมพัดลมระบายความร้อน
- สวิตช์ RF
- DAC สำหรับสร้างสัญญาณ RADAR Chirps
-
- 2x LT5552 มิกเซอร์ไมโครเวฟสำหรับ up-conversion และ IF-down-conversion
- 4x ADAR1000 4 ช่องสัญญาณ ตัวปรับเฟส สำหรับ beamforming ของสาย Rx และ Tx (ใช้กำหนดลำดับพัลส์เรดาร์)
- 16x ADTR1107 ชิป Front-End ใช้ทั้ง LNA (Rx) และ PA (Tx)
- FPGA – AMD Artix-7 XC7A100T for:
- บอร์ด Frequency synthesizer ที่ใช้ AD9523-1 ตัวสร้างสัญญาณนาฬิกาแบบ low-jitter เพื่อจ่ายสัญญาณ clock ที่จัดเฟสตรงกันให้กับ
- Frequency Synthesizer ด้าน RX และ TX (ADF4382)
- DAC, ADC
- FPGA
- 16x บอร์ด power amplifier (เฉพาะรุ่น AERIS-10X) พร้อมแอมป์ QPA2962 GaN กำลัง 10 วัตต์ เพื่อเพิ่มระยะตรวจจับ
- บอร์ด Power Management
- เสาอากาศ Arrays
- AERIS-10N (Nexus) – เสาอากาศ patch array ขนาด 8×16
- AERIS-10X (Extended) – เสาอากาศ dielectric-filled slotted waveguide array ขนาด 32×16
- อื่น ๆ
- Slip-ring, stepper motors และไดรเวอร์, พัดลมระบายความร้อน และ เคส
- Electronic Beam Steering เต็มรูปแบบ สามารถปรับทิศทางลำแสงเรดาร์แบบอิเล็กทรอนิกส์ได้ ±45° ทั้งแนว Elevation และ Azimuth

เรดาร์ AERIS-10 มาพร้อมกับ GUI ที่พัฒนาด้วยภาษา Python ซึ่งมีอินเทอร์เฟซที่ใช้งานง่าย รองรับการแสดงตำแหน่งเป้าหมายแบบเรียลไทม์ การเชื่อมต่อกับแผนที่ และอินเทอร์เฟซสำหรับควบคุมระบบเรดาร์ ผู้พัฒนา Nawfal Motii ได้เผยแพร่ข้อมูลทั้งหมดไว้บน GitHub เช่น แผนผังวงจรและเลย์เอาต์ PCB ที่ออกแบบด้วย Autodesk EAGLE, รายการอุปกรณ์ (Bill of Materials), ไฟล์ Gerber สำหรับการผลิต PCB, แบบร่างเชิงกล (Mechanical drawings) ฮาร์ดแวร์ทั้งหมดเผยแพร่ภายใต้สัญญาอนุญาต CERN Open Hardware Licence Version 2 – Permissive (CERN-OHL-P), ส่วนซอฟต์แวร์ ได้แก่ โค้ด FPGA (VHDL/Verilog), เฟิร์มแวร์ STM32ล Python GUI และเครื่องมือยูทิลิตีต่าง ๆ ถูกเผยแพร่ภายใต้สัญญาอนุญาต MIT License ในโฟลเดอร์ /10_docs/ ถูกระบุว่าจะมี คู่มือการประกอบ (Assembly Guide) แต่ขณะที่เขียนบทความนี้ไฟล์ดังกล่าวยังไม่ถูกเพิ่มไว้ใน repository

เรดาร์ AERIS-10 ที่มีต้นทุนต่ำนี้ ถูกออกแบบมาสำหรับ นักวิจัย นักพัฒนาโดรน และผู้ที่สนใจด้าน SDR (Software Defined Radio) ที่ต้องการทดลองและศึกษาด้านเทคโนโลยี phased array radar แต่คำว่า “ต้นทุนต่ำ” (low-cost) หมายถึงอะไรในความเป็นจริง? เราสามารถเห็นภาพได้จากโพสต์บน X ของ chiefofautism ซึ่งเป็นผู้ที่ทำให้โครงการนี้เป็นที่สนใจ โดยเขาอธิบายว่า:
เรดาร์ phased array เชิงพาณิชย์ โดยทั่วไปมีราคาเริ่มต้นประมาณ $250,000 (ประมาณ 8 ล้านบาท) ส่วนเรดาร์มือสองจากกองทัพ (military surplus) จะอยู่ในช่วงประมาณ $10,000 (~323,000฿) – 50,000 (~1,600,000฿) แต่ส่วนใหญ่เป็นอุปกรณ์แอนะล็อกที่มีอายุหลายสิบปี และไม่รองรับการบังคับทิศทางลำแสงแบบอิเล็กทรอนิกส์
แต่เราสามารถประเมินต้นทุนได้ใกล้เคียงมากขึ้นจากอีกโพสต์หนึ่งบน X ของ Daniel Bogdanoff ซึ่งได้สรุปราคาของชิ้นส่วนที่มีราคาแพงที่สุดใน BoM (Bill of Materials) ในสหรัฐอเมริกาไว้ดังนี้:
- 2x LTC5552 = รวมประมาณ $120 (~3,900฿)
- 4x ADAR1000 phase shifters = รวมประมาณ $780 (~25,200฿)
- 16x ADTR1107 front end = รวมประมาณ $3,600 (~116,000฿)
- AMD ADTXC7A100T FPGA = ประมาณ $200 (~6,500฿)
ดังนั้นเฉพาะชิ้นส่วนหลักของ AERIS-10N จะมีราคาประมาณ $5,000 (~161,000฿) โดยยังไม่รวมค่าแผงวงจร (PCB) ซึ่งอาจเพิ่มอีกประมาณ $1,000 (~32,300฿) ถึง $3,000 (~97,000฿), สำหรับรุ่น AERIS-10X (Extended) จะต้องใช้ 16 × QPA2962TR7 power amplifier ราคาตัวละประมาณ $450 (~15,000฿) รวมเป็น $7,200 (~233,000฿), ทำให้ต้นทุนรวมของรุ่น Extended อยู่ที่ประมาณ $13,000 (~420,000฿) ถึง $15,000(~480,000฿) ดังนั้นแม้จะเรียกว่าเป็นเรดาร์ “ต้นทุนต่ำ” เมื่อเทียบในเชิงอุตสาหกรรม แต่ก็ยังเกินงบประมาณของหลายคนสำหรับโปรเจกต์ทำเล่นในวันหยุดอยู่ดี!

ระบบนี้ไม่ได้จำหน่ายในรูปแบบชุดคิทที่ประกอบสำเร็จ ดังนั้นผู้ใช้งานจะต้องสร้างและประกอบระบบด้วยตนเอง นอกจากนี้คุณยังต้องตรวจสอบให้แน่ใจว่ามีใบอนุญาตและการอนุญาตที่จำเป็นสำหรับการใช้งานอุปกรณ์ประเภทนี้จากหน่วยงานกำกับดูแลคลื่นความถี่ในประเทศของคุณ เช่น Federal Communications Commission (FCC) เนื่องจากอุปกรณ์ลักษณะนี้อาจจัดอยู่ในกลุ่มเทคโนโลยีที่ใช้ได้ทั้งเชิงพาณิชย์และทางทหาร (dual-use) จึงควรตรวจสอบกับหน่วยงานกำกับดูแลอื่น ๆ ในพื้นที่ของคุณด้วยว่าอนุญาตให้ใช้งานอุปกรณ์ประเภทนี้ได้หรือไม่
แปลจากบทความภาษาอังกฤษ : AERIS-10 open-source hardware radar can track multiple objects up to 20km away

บรรณาธิการข่าวและบทความภาษาไทย CNX Software ได้มีความสนใจในด้านเทคโนโลยี โดยเฉพาะ Smart Home และ IoT

